Product Image
Product Image
Product Image
Product Image

PŘIPOJOVACÍ DESKA AL L 5 OTVORŮ, VERZE S 1 DRÁŽKOU

K dispozici

Model
093VL6060

Popis
Ke spojení dvou hliníkových profilů v pravém úhlu.

Materiál
Hliník
Množství v balení
10 pieces
Speciální vlastnosti
Jiné povrchy, jiné barvy na vyžádání
Surface
Eloxovaný

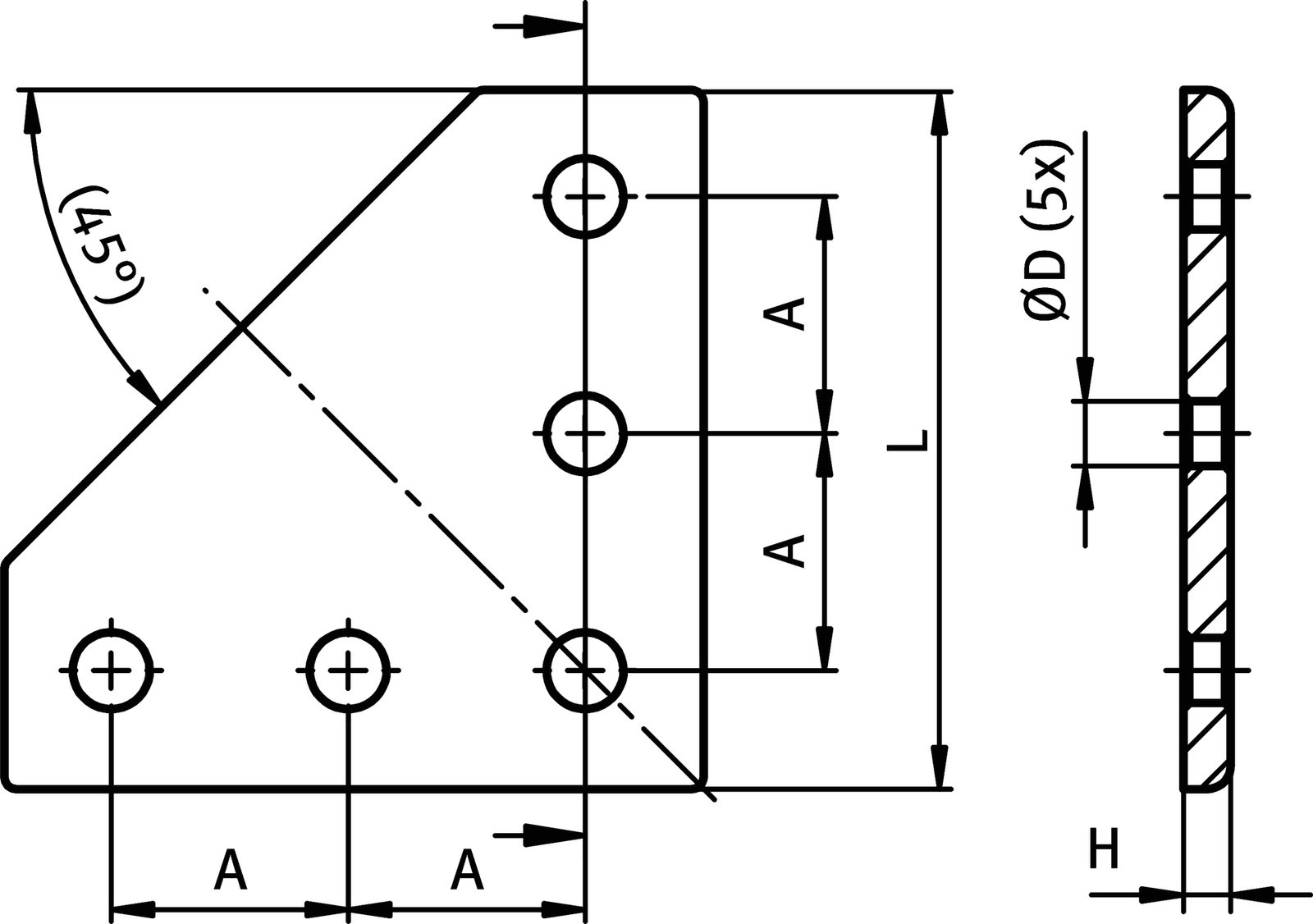
Parametr

Číslo dílu Profilový modul Velikost drážky Délka (mm) Šířka (mm) Výška (mm) Hmotnost (g) F.Max SW (mm) D (mm) F (mm) Velikost závitu CAD Vozík
093VL6060 59 4 27 5.5
093VL7676 74.0 (2.9") 4 43 7
093VL9090 88.5 5 78 7
093VL114114 112.0 (4.4") 6 150 9
093VL120120 118 6 168 9
093VL135135 133 6 215 9

Související produkty



ALUTEC KK

Hliníkový konstrukční systém
Modulární pracovní stoly
Ochranné ploty a kryty

Standardní hliníkové profily
Lineární vedení
Nastavitelné nožičky

Dopravníky
Trubkový konstrukční systém
ALUTEC KK Hobby

Certifikáty

Rychlý kontakt

+420 326 996 110

aluteckk@aluteckk.cz