Product Image
Product Image
Product Image

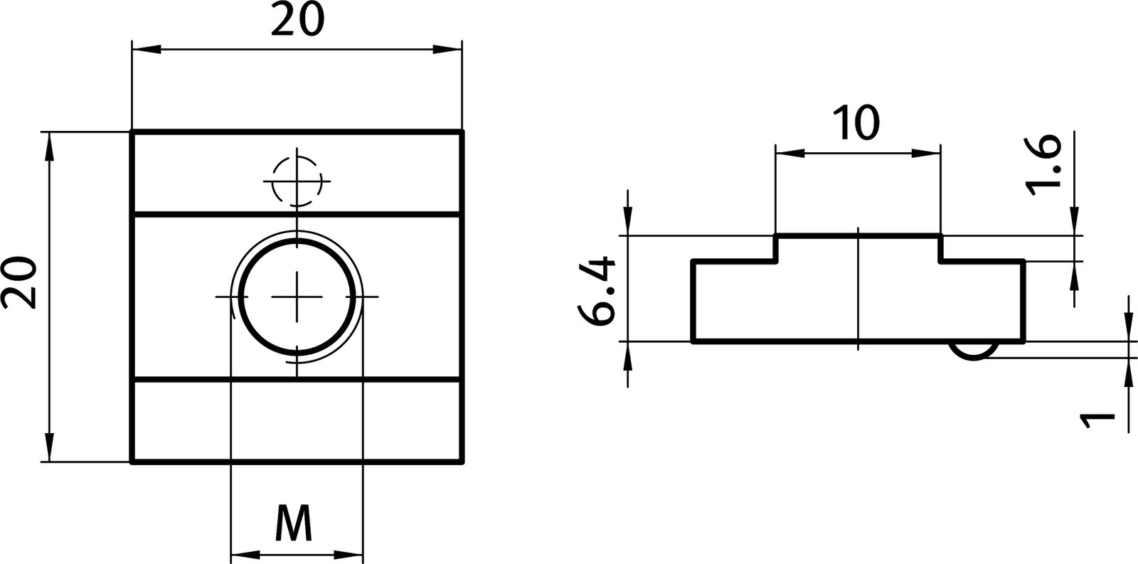
T-DRÁŽKOVÁ MATICE 20,0 X 6,4 MM, S PRUŽINOVOU KULIČKOU

K dispozici

Model
096930S02

Popis
Samonastavitelná T-drážková matice s odpruženou kuličkou

Materiál
Ocel
Množství v balení
10 pieces
Speciální vlastnosti
Různé délky s více závity v různých velikostech na vyžádání
Surface
Pozinkovaný

Parametr

Číslo dílu Profilový modul Velikost drážky Délka (mm) Šířka (mm) Výška (mm) Hmotnost (g) F.Max SW (mm) D (mm) F (mm) Velikost závitu CAD Vozík
096930S02 17.0 M4

Související produkty



ALUTEC KK

Hliníkový konstrukční systém
Modulární pracovní stoly
Ochranné ploty a kryty

Standardní hliníkové profily
Lineární vedení
Nastavitelné nožičky

Dopravníky
Trubkový konstrukční systém
ALUTEC KK Hobby

Certifikáty

Rychlý kontakt

+420 326 996 110

aluteckk@aluteckk.cz