Product Image
Product Image
Product Image

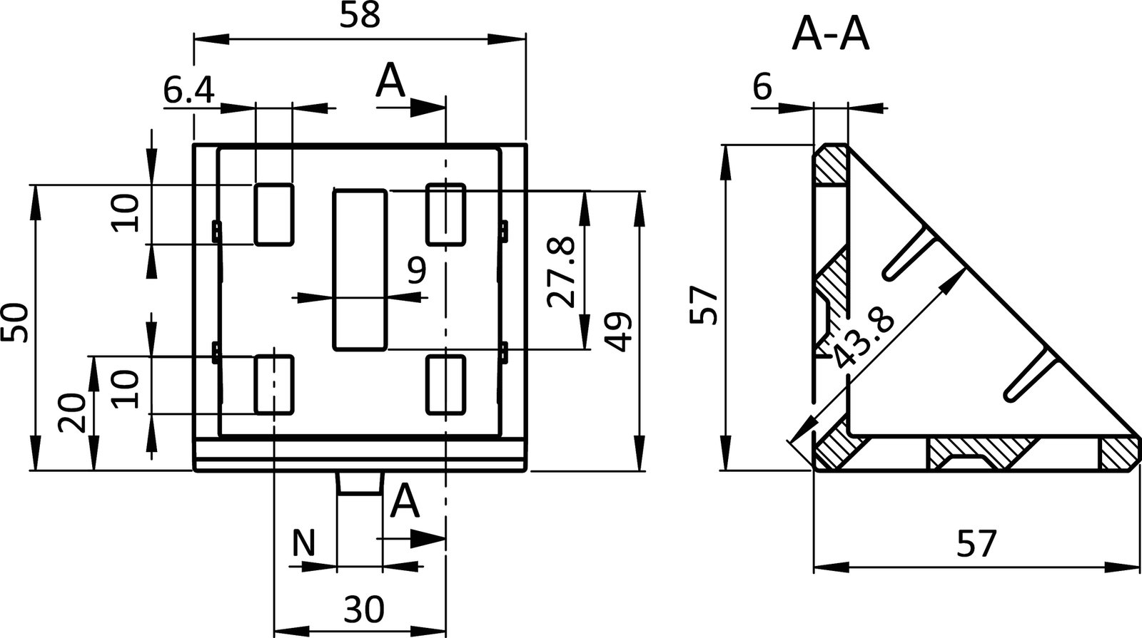
ALU PŘIPOJOVACÍ ÚHEL 60

K dispozici

Model
093W603N08S02

Popis
Ke spojení dvou hliníkových profilů nebo panelů v pravém úhlu; připojovací úhel lze uzavřít pomocí krycí víčko MONTÁŽNÍ SADA 2 4 kladivové matice - drážka 8 - M6, 4 šrouby DIN 7984 - M6 x 14, 1 kladívkový šroub - drážka 10 - M8 x 20, 1 přírubová matice - M8, 2 plastové adaptéry - slot 8 až slot 10

Materiál
Úhel: Hliníkový tlakově litý Krycí kryt: Plast PA, vyztužený skelnými vlákny Středový díl: Nyoln PA, vyztužený skelnými vlákny Montážní sada: Ocel
Množství v balení
10 pieces / 10 set
Speciální vlastnosti
Jiné povrchy, jiné barvy na vyžádání
Surface
Prostý
ESD
NE

Parametr

Číslo dílu Profilový modul Velikost drážky Délka (mm) Šířka (mm) Výška (mm) Hmotnost (g) F.Max SW (mm) D (mm) F (mm) Velikost závitu CAD Vozík
093W603N08S02 B 160

Související produkty



ALUTEC KK

Hliníkový konstrukční systém
Modulární pracovní stoly
Ochranné ploty a kryty

Standardní hliníkové profily
Lineární vedení
Nastavitelné nožičky

Dopravníky
Trubkový konstrukční systém
ALUTEC KK Hobby

Certifikáty

Rychlý kontakt

+420 326 996 110

aluteckk@aluteckk.cz