Product Image
Product Image
Product Image
Product Image

DESKOVÁ KONEKTOR B AL

K dispozici

Model
099EA40401012RS01

Popis
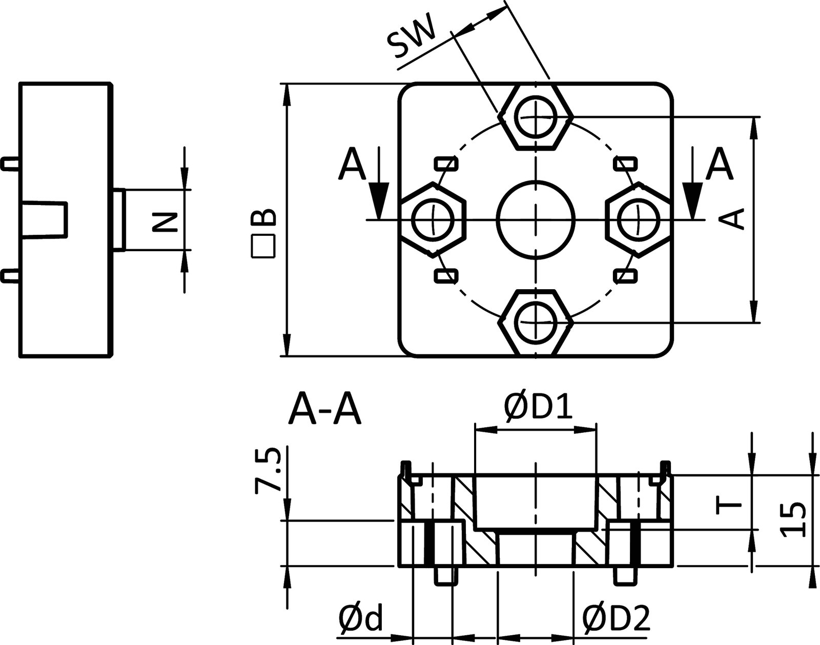
K T-kusu spojte dva hliníkové profily. Montážní sada: S montážní sadou 2 MONTÁŽNÍ SADA 2 1 samořezný šroub S12 x 30 Torx T50, 2 šrouby DIN 7984 - M6 x 20, 2 kladívkové matice - drážka 10 - M6

Materiál
Lamelová spojka: Hliníkový tlakový odlitek Montážní sada: Ocel
Barva
Alu barva
Množství v balení
10 pieces / 10 set
Speciální vlastnosti
Jiné povrchy na vyžádání
Surface
Prostý

Parametr

Číslo dílu Profilový modul Velikost drážky Délka (mm) Šířka (mm) Výška (mm) Hmotnost (g) F.Max SW (mm) D (mm) F (mm) Velikost závitu CAD Vozík
099EA40401012RS01 B 10 40 89 10
099EA45451012RS01 B 10 45 100 10

Související produkty



ALUTEC KK

Hliníkový konstrukční systém
Modulární pracovní stoly
Ochranné ploty a kryty

Standardní hliníkové profily
Lineární vedení
Nastavitelné nožičky

Dopravníky
Trubkový konstrukční systém
ALUTEC KK Hobby

Certifikáty

Rychlý kontakt

+420 326 996 110

aluteckk@aluteckk.cz