Product Image
Product Image
Product Image

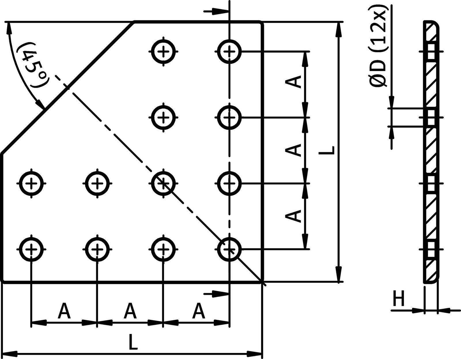
PŘIPOJOVACÍ DESKA AL L 12 OTVORŮ, VERZE 2 DRÁŽKY

K dispozici

Model
093VL102102D

Popis
Ke spojení dvou hliníkových profilů v pravém úhlu Verze - 102 / 102 - 4" / 4"

Materiál
Hliník
Množství v balení
10 pieces
Speciální vlastnosti
Jiné povrchy, jiné barvy na vyžádání
Surface
Eloxovaný
ESD
Ne

Parametr

Číslo dílu Profilový modul Velikost drážky Délka (mm) Šířka (mm) Výška (mm) Hmotnost (g) F.Max SW (mm) D (mm) F (mm) Velikost závitu CAD Vozík
093VL102102D 99.0 (3.9") 4.0 86.0 7.0

Související produkty



ALUTEC KK

Hliníkový konstrukční systém
Modulární pracovní stoly
Ochranné ploty a kryty

Standardní hliníkové profily
Lineární vedení
Nastavitelné nožičky

Dopravníky
Trubkový konstrukční systém
ALUTEC KK Hobby

Certifikáty

Rychlý kontakt

+420 326 996 110

aluteckk@aluteckk.cz