Product Image
Product Image
Product Image

Alu spojovací úhelník 60

K dispozici

Model
093W603N10S01

Popis
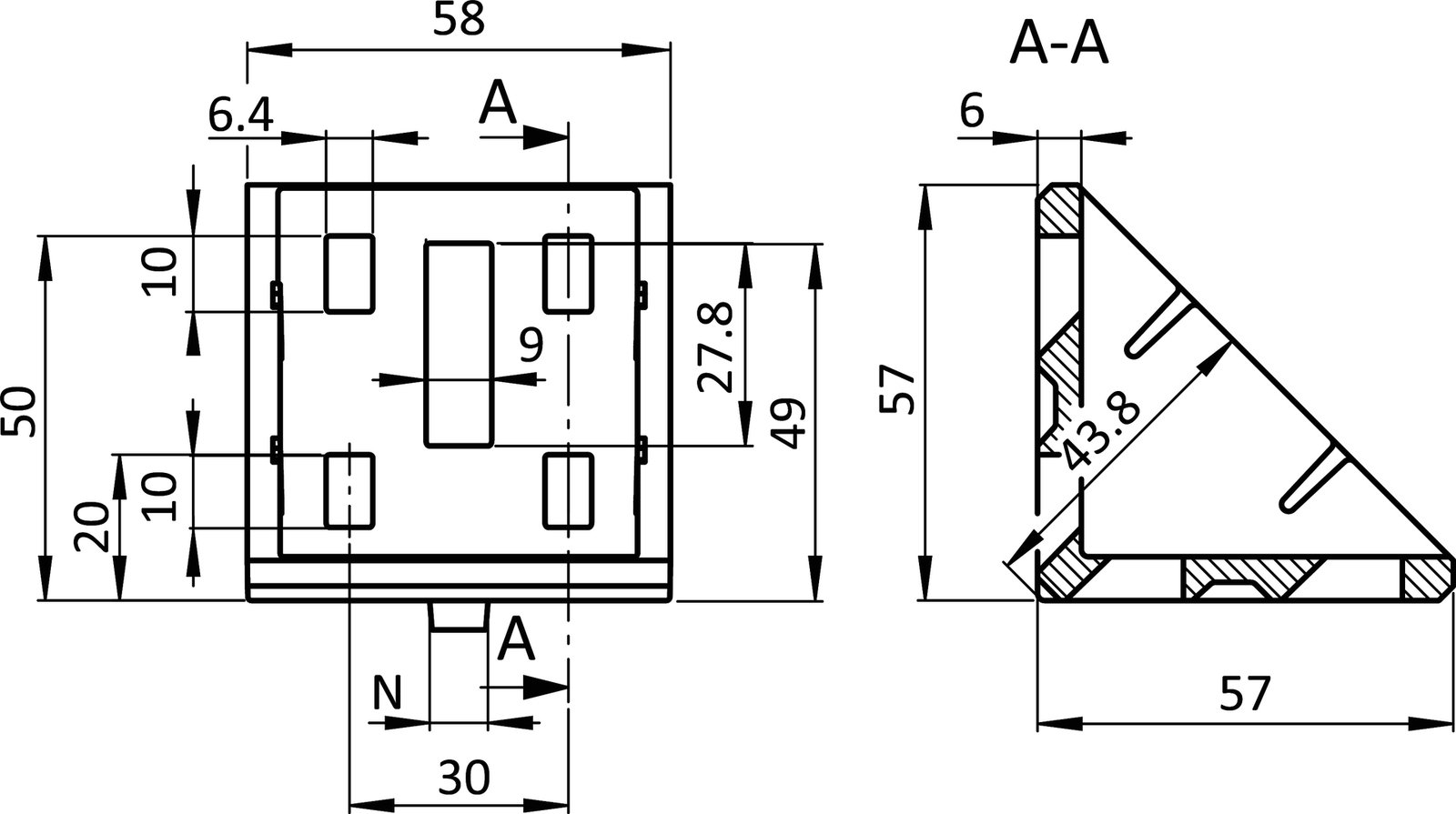
Ke spojení dvou hliníkových profilů nebo panelů v pravém úhlu; připojovací úhel lze uzavřít pomocí krycí víčko. S montážní sadou 3 MONTÁŽNÍ SADA 3 2 šrouby s kladívkovou hlavou - M8 x 20, 2 přírubové matice - M8

Materiál
Úhel: Hliníkový tlakově litý Krycí kryt: Plast PA, vyztužený skelnými vlákny Středový díl: Nyoln PA, vyztužený skelnými vlákny Montážní sada: Ocel
Množství v balení
10 pieces / 10 set
Speciální vlastnosti
Jiné povrchy, jiné barvy na vyžádání
Surface
Prostý

Parametr

Číslo dílu Profilový modul Velikost drážky Délka (mm) Šířka (mm) Výška (mm) Hmotnost (g) F.Max SW (mm) D (mm) F (mm) Velikost závitu CAD Vozík
093W603N10S01 B 10 160

Související produkty



ALUTEC KK

Hliníkový konstrukční systém
Modulární pracovní stoly
Ochranné ploty a kryty

Standardní hliníkové profily
Lineární vedení
Nastavitelné nožičky

Dopravníky
Trubkový konstrukční systém
ALUTEC KK Hobby

Certifikáty

Rychlý kontakt

+420 326 996 110

aluteckk@aluteckk.cz