Product Image
Product Image
Product Image

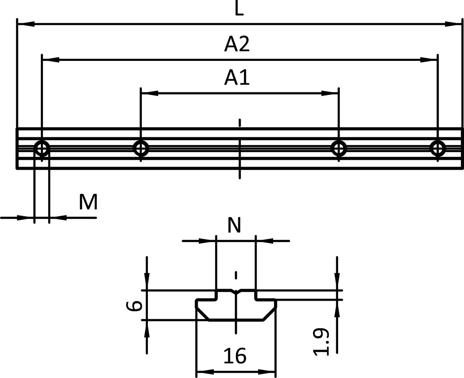
Spojovací lišta 180 B, slot 8 (sada)

K dispozici

Model
096010S11

Popis
Spojení mezi dvěma hliníkovými profily bez opracování. MONTÁŽNÍ SADA -4 šrouby DIN EN ISO 4762 (DIN 912) - M6 x 12, 4 podložky DIN 7349 - 6.4

Materiál
Ocel
Množství v balení
10 pieces / sets
Surface
Pozinkovaný

Parametr

Číslo dílu Profilový modul Velikost drážky Délka (mm) Šířka (mm) Výška (mm) Hmotnost (g) F.Max SW (mm) D (mm) F (mm) Velikost závitu CAD Vozík
096010S11 B 180 134 M6

Související produkty



ALUTEC KK

Hliníkový konstrukční systém
Modulární pracovní stoly
Ochranné ploty a kryty

Standardní hliníkové profily
Lineární vedení
Nastavitelné nožičky

Dopravníky
Trubkový konstrukční systém
ALUTEC KK Hobby

Certifikáty

Rychlý kontakt

+420 326 996 110

aluteckk@aluteckk.cz