Product Image
Product Image
Product Image

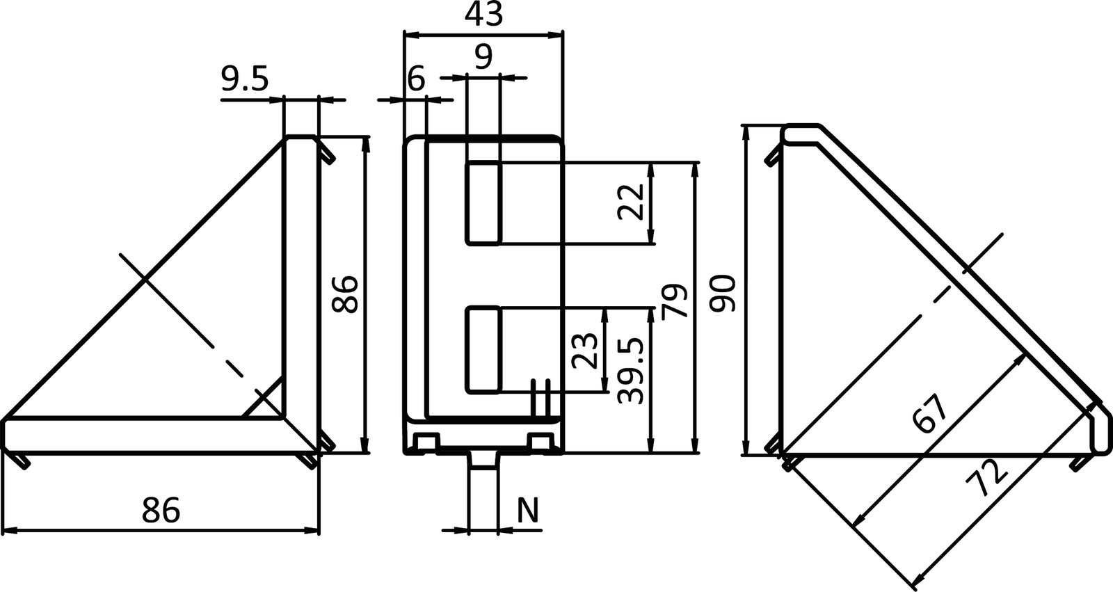
Alu spojovací úhelník 45 x 90

K dispozici

Model
093W451N10S06

Popis
Ke spojení dvou hliníkových profilů nebo panelů v pravém úhlu; připojovací úhel lze uzavřít pomocí krycí víčko. Verze: vč. montážní sada

Materiál
Úhel: Hliníkový tlakově litý Krycí kryt: Plast PA, vyztužený skelnými vlákny Středový díl: Nyoln PA, vyztužený skelnými vlákny Montážní sada: Ocel
Barva
Úhel: - / alu barva Krytka: Černá Středící díl: Přírodní
Množství v balení
10 pieces / 10 set
Speciální vlastnosti
Jiné povrchy, jiné barvy na vyžádání
Surface
Práškový lak

Parametr

Číslo dílu Profilový modul Velikost drážky Délka (mm) Šířka (mm) Výška (mm) Hmotnost (g) F.Max SW (mm) D (mm) F (mm) Velikost závitu CAD Vozík
093W451N10S06 B 10 255

Související produkty



ALUTEC KK

Hliníkový konstrukční systém
Modulární pracovní stoly
Ochranné ploty a kryty

Standardní hliníkové profily
Lineární vedení
Nastavitelné nožičky

Dopravníky
Trubkový konstrukční systém
ALUTEC KK Hobby

Certifikáty

Rychlý kontakt

+420 326 996 110

aluteckk@aluteckk.cz