Product Image
Product Image
Product Image

Úlovek míče 30

K dispozici

Model
093045S03

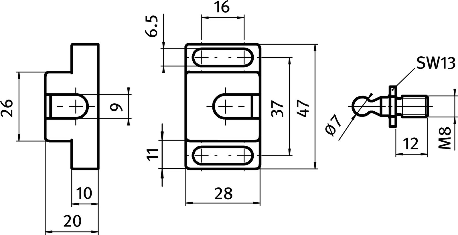
Popis
Rychlouzamykací zařízení pro dveře, přizpůsobitelné tloušťce panelových jednotek. UPEVNĚNÍ - Pomocí šroubů. Uzamykací síla ~ 40 N. Verze - Lehká

Materiál
Plast PA, vyztužený skelným vláknem, protišroub - nerezová ocel
Barva
Černý
Množství v balení
10 pieces
Speciální vlastnosti
ESD elektrostatický výboj, jiný rozměr, jiné barvy na vyžádání

Parametr

Číslo dílu Profilový modul Velikost drážky Délka (mm) Šířka (mm) Výška (mm) Hmotnost (g) F.Max SW (mm) D (mm) F (mm) Velikost závitu CAD Vozík
093045S03 45

Související produkty



ALUTEC KK

Hliníkový konstrukční systém
Modulární pracovní stoly
Ochranné ploty a kryty

Standardní hliníkové profily
Lineární vedení
Nastavitelné nožičky

Dopravníky
Trubkový konstrukční systém
ALUTEC KK Hobby

Certifikáty

Rychlý kontakt

+420 326 996 110

aluteckk@aluteckk.cz