Product Image
Product Image
Product Image

Alu spojovací úhelník 40 x 80

K dispozici

Model
093W403N10S01

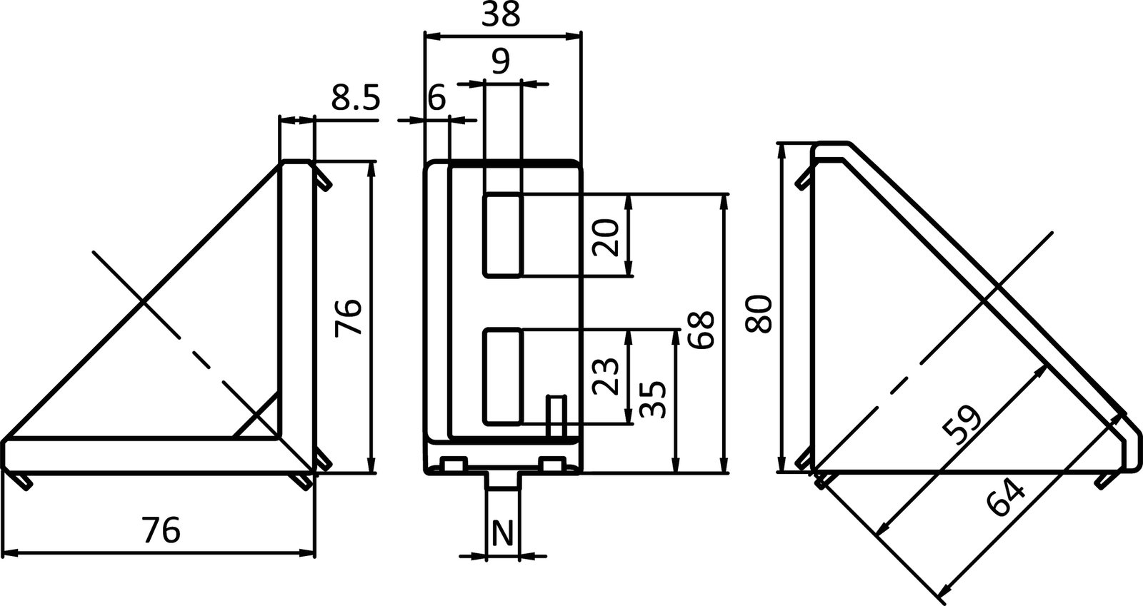
Popis
Ke spojení dvou hliníkových profilů nebo panelů v pravém úhlu; připojovací úhel lze uzavřít pomocí krycí víčko Ke spojení dvou hliníkových profilů nebo panelů v pravém úhlu; připojovací úhel lze uzavřít pomocí krycí víčko Verze: vč. montážní sada MONTÁŽNÍ SADA 4 šrouby s kladívkovou hlavou - drážka 10 - M8 x 25, 4 přírubové matice M8

Materiál
Úhel: Hliníkový tlakově litý Kryt: Plast PA, vyztužený skelným vláknem Montážní sada: Ocel
Množství v balení
10 pieces / 10 set
Speciální vlastnosti
Jiné povrchy, jiné barvy na vyžádání
Surface
Prostý

Parametr

Číslo dílu Profilový modul Velikost drážky Délka (mm) Šířka (mm) Výška (mm) Hmotnost (g) F.Max SW (mm) D (mm) F (mm) Velikost závitu CAD Vozík
093W403N10S01 B 10 120

Související produkty



ALUTEC KK

Hliníkový konstrukční systém
Modulární pracovní stoly
Ochranné ploty a kryty

Standardní hliníkové profily
Lineární vedení
Nastavitelné nožičky

Dopravníky
Trubkový konstrukční systém
ALUTEC KK Hobby

Certifikáty

Rychlý kontakt

+420 326 996 110

aluteckk@aluteckk.cz