Product Image
Product Image
Product Image

MAGNETICKÝ ZÁchyt 20 (SET)

K dispozici

Model
093094

Popis
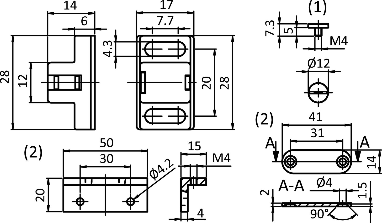
Rychlouzamykací zařízení pro dveře, přizpůsobitelné tloušťce panelových jednotek. SET - 1 magnetická západka 20, 1 šroub s válcovou hlavou DIN 921 - M4 x 5. UPEVNĚNÍ - Pomocí šroubů M4. Obr - ①. Uzamykací síla - Přibl. 5 N vpředu / 3 N vzadu.

Materiál
Magnetická západka: Plast PA, vyztužený skelným vláknem Montážní sada: Ocel Úhlový držák: Hliník
Barva
Magnetická západka: černá
Množství v balení
10 sets
Speciální vlastnosti
ESD elektrostatický výboj, jiný rozměr, jiné barvy na vyžádání

Parametr

Číslo dílu Profilový modul Velikost drážky Délka (mm) Šířka (mm) Výška (mm) Hmotnost (g) F.Max SW (mm) D (mm) F (mm) Velikost závitu CAD Vozík
093094 9

Související produkty



ALUTEC KK

Hliníkový konstrukční systém
Modulární pracovní stoly
Ochranné ploty a kryty

Standardní hliníkové profily
Lineární vedení
Nastavitelné nožičky

Dopravníky
Trubkový konstrukční systém
ALUTEC KK Hobby

Certifikáty

Rychlý kontakt

+420 326 996 110

aluteckk@aluteckk.cz