Product Image
Product Image
Product Image

Krycí a redukční profil drážka B8

K dispozici

Model
092242

Popis
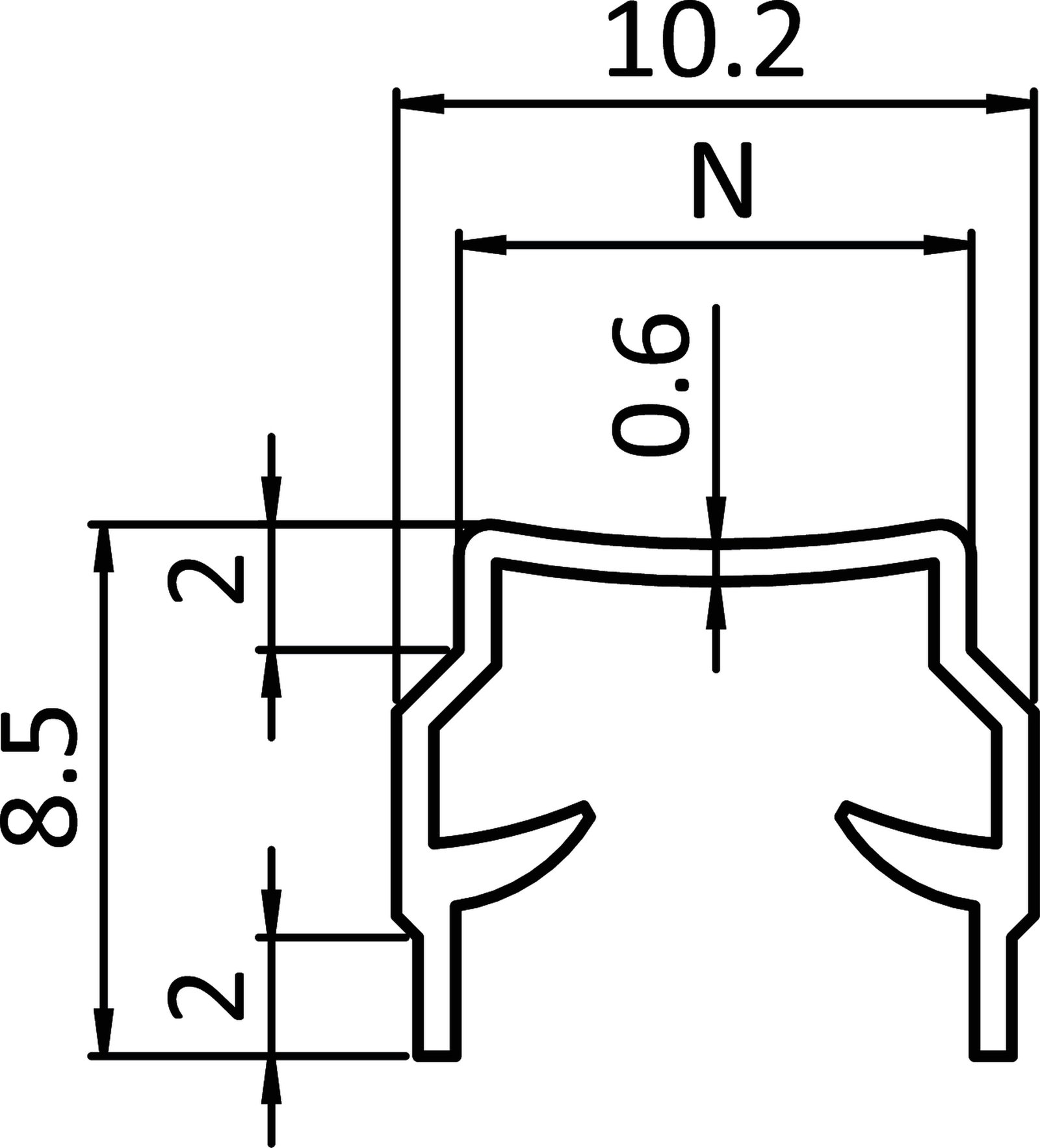
K zakrytí profilových drážek velikosti 8 ak zajištění panelů o tloušťce 4 - 6 mm. TIP-Upozornění: Objednáváte v metrech!.

Materiál
Plast PP + TPE
Barva
Černý
Množství v balení
200 meters (100 pieces at 2 m)
Speciální vlastnosti
Jiné barvy na vyžádání

Parametr

Číslo dílu Profilový modul Velikost drážky Délka (mm) Šířka (mm) Výška (mm) Hmotnost (g) F.Max SW (mm) D (mm) F (mm) Velikost závitu CAD Vozík
092242 B 25

Související produkty



ALUTEC KK

Hliníkový konstrukční systém
Modulární pracovní stoly
Ochranné ploty a kryty

Standardní hliníkové profily
Lineární vedení
Nastavitelné nožičky

Dopravníky
Trubkový konstrukční systém
ALUTEC KK Hobby

Certifikáty

Rychlý kontakt

+420 326 996 110

aluteckk@aluteckk.cz