Product Image
Product Image
Product Image

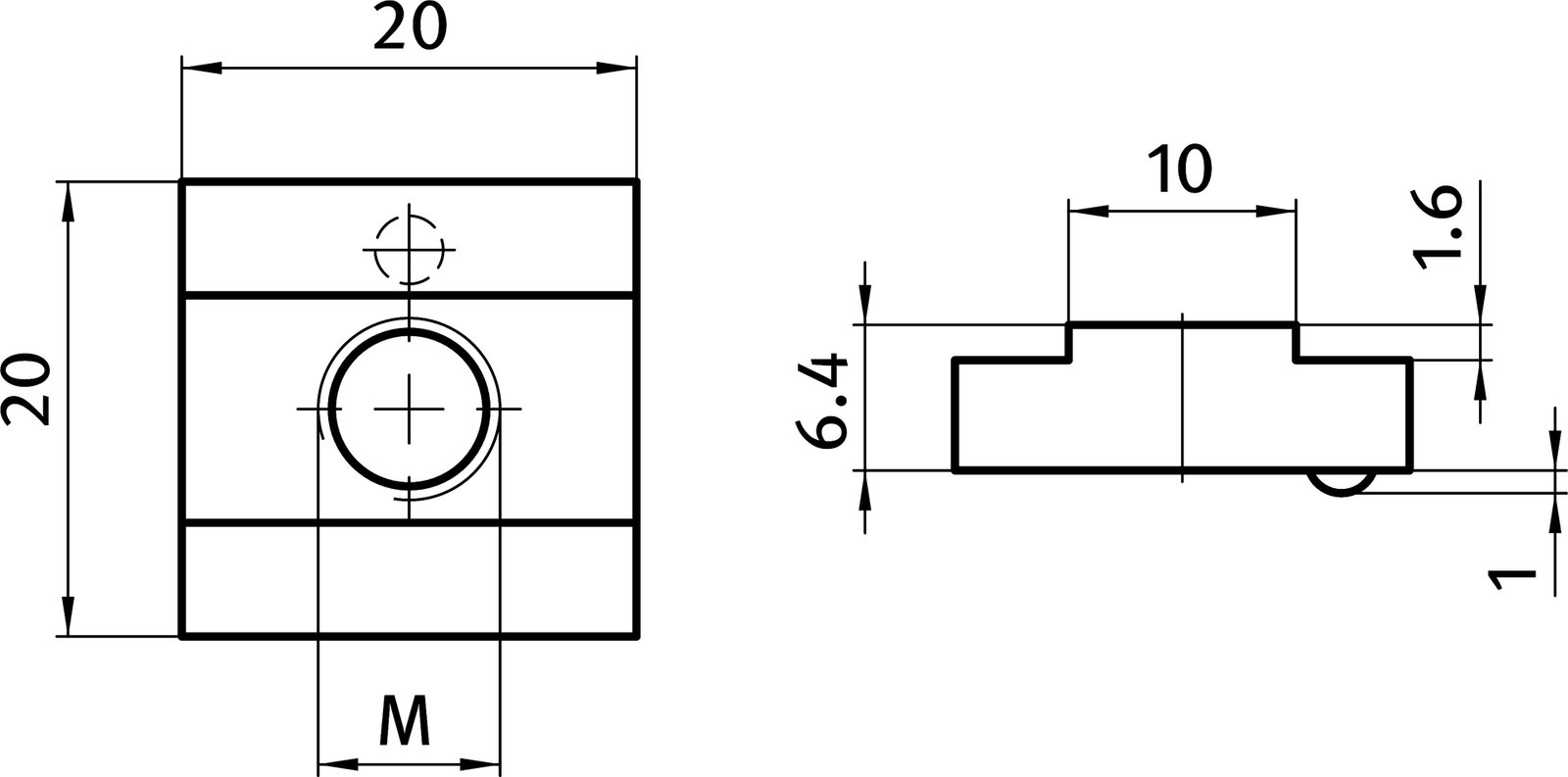
T-DRÁŽKOVÁ MATICE 20,0 X 6,4 MM, S PRUŽINOVOU KULIČKOU

K dispozici

Model
096930S02

Popis
MODEL-Drážka 10, samovyrovnávací s pružinovou kuličkou, ocel. POPIS - Samonastavitelná T-drážková matice s odpruženou kuličkou.

Materiál
Ocel
Množství v balení
100 pieces
Speciální vlastnosti
Různé délky s více závity v různých velikostech na vyžádání
Surface
Pozinkovaný

Parametr

Číslo dílu Profilový modul Velikost drážky Délka (mm) Šířka (mm) Výška (mm) Hmotnost (g) F.Max SW (mm) D (mm) F (mm) Velikost závitu CAD Vozík
096930S02 17 M4
096930S03 17 M5
096930S04 16.5 M6
096930S05 15.5 M8

Související produkty



ALUTEC KK

Hliníkový konstrukční systém
Modulární pracovní stoly
Ochranné ploty a kryty

Standardní hliníkové profily
Lineární vedení
Nastavitelné nožičky

Dopravníky
Trubkový konstrukční systém
ALUTEC KK Hobby

Certifikáty

Rychlý kontakt

+420 326 996 110

aluteckk@aluteckk.cz