Product Image
Product Image
Product Image
Product Image

PLOCHY PROFILOVÉHO POSUVNÍKU

K dispozici

Model
093SM06S02

Popis
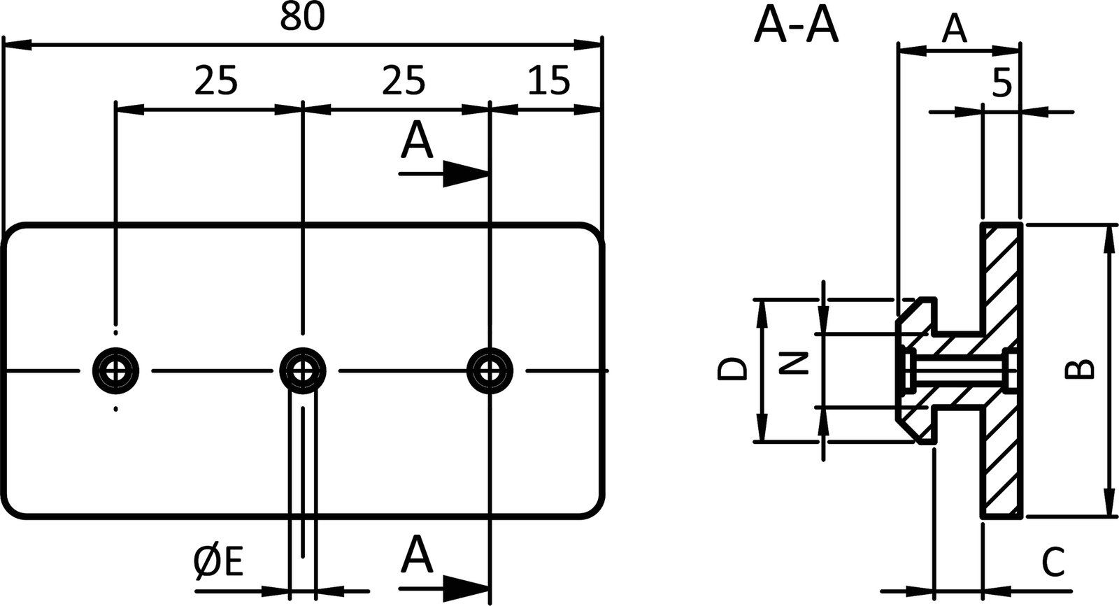
MODEL-Drážka 6, 8, 10. POPIS K vedení posuvných profilů s drážkou; ekonomické řešení odolné proti opotřebení, např. pro panely. UPEVNĚNÍ-Šrouby do plechu.

Materiál
Plastový POM
Množství v balení
10 pieces
Surface
Přírodní

Parametr

Číslo dílu Profilový modul Velikost drážky Délka (mm) Šířka (mm) Výška (mm) Hmotnost (g) F.Max SW (mm) D (mm) F (mm) Velikost závitu CAD Vozík
093SM06S02 B 13
093SM08S02 B 22
093SM10S02 B 37

Související produkty



ALUTEC KK

Hliníkový konstrukční systém
Modulární pracovní stoly
Ochranné ploty a kryty

Standardní hliníkové profily
Lineární vedení
Nastavitelné nožičky

Dopravníky
Trubkový konstrukční systém
ALUTEC KK Hobby

Certifikáty

Rychlý kontakt

+420 326 996 110

aluteckk@aluteckk.cz