Product Image
Product Image
Product Image
Product Image

TŘECÍ KLOUB B80H PRO SYSTÉMOVÉ RAMENO (SET)

K dispozici

Model
061FGZ80HN10

Popis
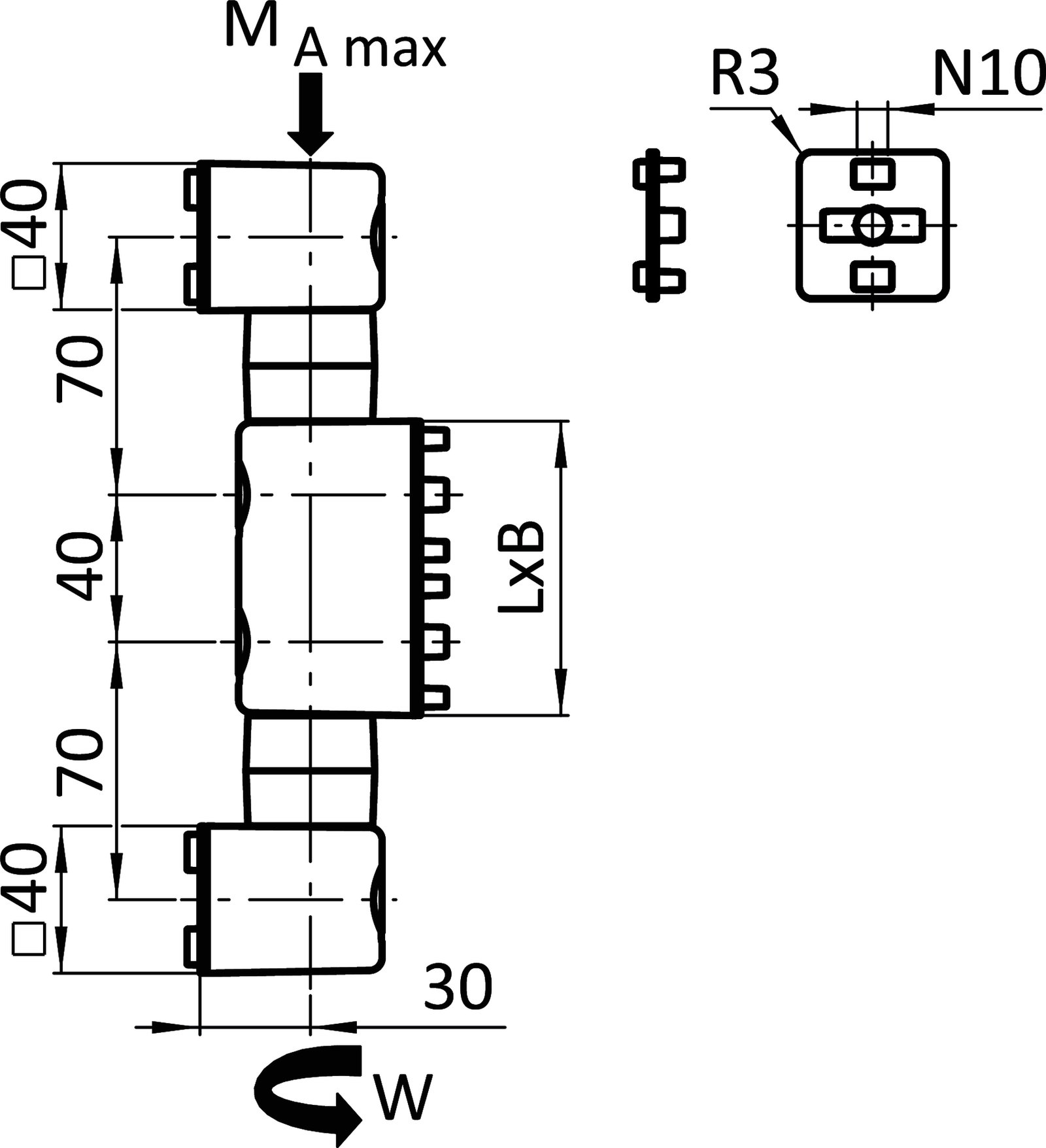
MODEL-40 mm modulární rozměr. POPIS-Spojovací spoj s třením pro vytvoření systémových ramen pomocí profilových kusů; otočný o 360°; Třecí spoj může být připevněn bočně, příčně nebo na líci profilu; při uchycení na přední čelo musí mít jádrový otvor příslušného profilu závit M8 (min. 15 mm hluboký). SET-1 třecí kloub 4 krytky 4 šrouby DIN EN ISO 4762 (DIN 912) - M8 x 45 (pro T-drážkovou matici) 4 šrouby DIN EN ISO 4762 (DIN 912) - M8 x 50 (pro jádrový otvor) 4 podložky 8-FSt 4 středící destičky 4 T-drážkové matice - drážka 10 - M8. TIP-řezné pouzdro pro redukci vnitřního otvoru Ø 10,2 mm na velikost závitu M8 viz 09308801.

Materiál
Pouzdro: Hliníkový tlakově litý Krycí kroužek: Plastové vložky: Ocel Třecí hřídel: Ocel Krytky: Plast Šrouby: Ocel Podložky: Ocel Středící desky: Hliníkové tlakově lité T-drážkové matice: Ocel
Barva
Pouzdro: Barva Al Krycí kroužek: Šedá ≈ RAL 7042 Krytky: Šedá ≈ RAL 7042 Středící desky: Barva Al
Množství v balení
1 set
Surface
Pouzdro: Lakované Středící desky: Lakované Šrouby: Pozinkované Podložka: Pozinkované T-drážkové matice: Pozinkované

Parametr

Číslo dílu Profilový modul Velikost drážky Délka (mm) Šířka (mm) Výška (mm) Hmotnost (g) F.Max SW (mm) D (mm) F (mm) Velikost závitu CAD Vozík
061FGZ80HN10 B 1562
061FGN80HN10 B 1565
061FGS80HN10 B 1568
061FGM80HN10 B 1571
061FGB80HN10 B 1574
061FGL80HN10 B 1577

Související produkty



ALUTEC KK

Hliníkový konstrukční systém
Modulární pracovní stoly
Ochranné ploty a kryty

Standardní hliníkové profily
Lineární vedení
Nastavitelné nožičky

Dopravníky
Trubkový konstrukční systém
ALUTEC KK Hobby

Certifikáty

Rychlý kontakt

+420 326 996 110

aluteckk@aluteckk.cz