Product Image
Product Image
Product Image

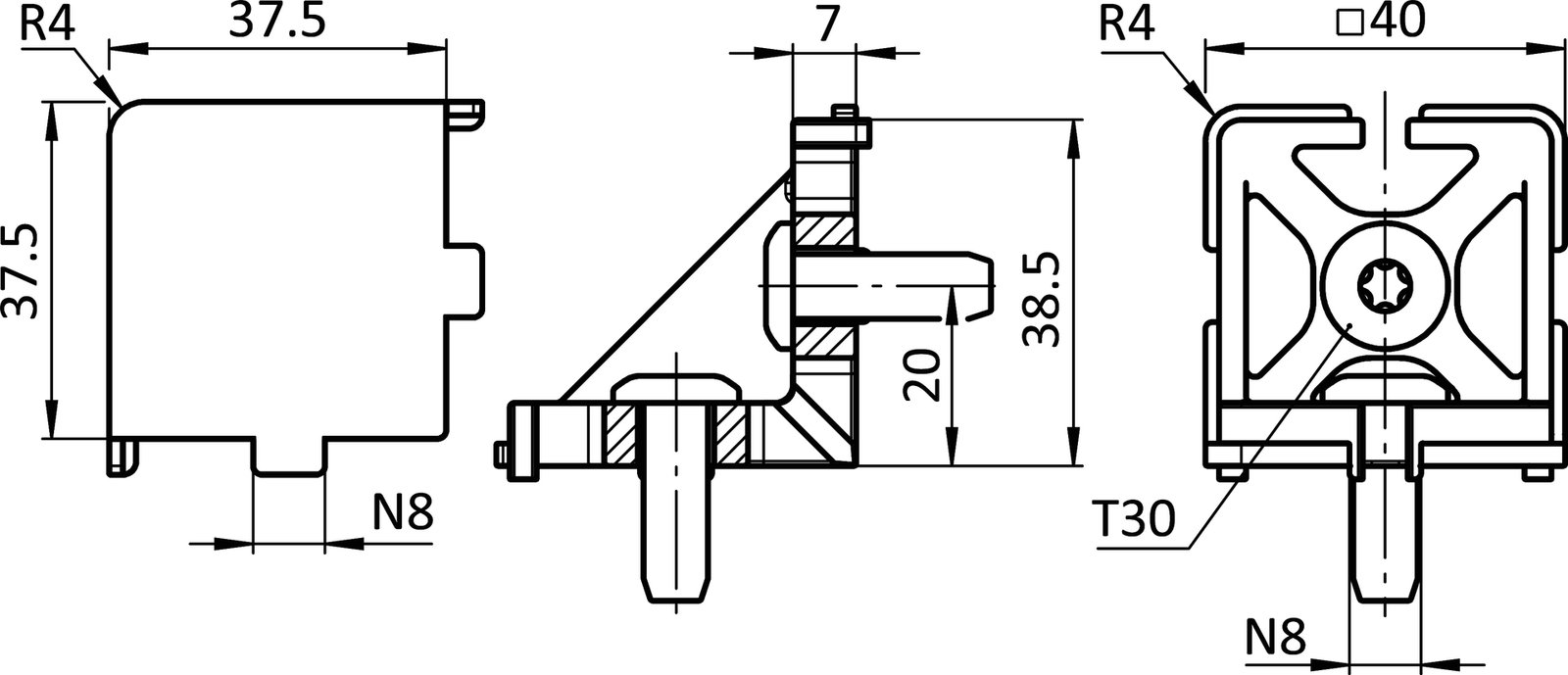
ROHOVÝ KONEKTOR 40, 2D S PRŮCHODKOU KABELU (SET)

K dispozici

Model
093WC406N08VS01

Popis
MODEL-Zinkový odlitek, profil 40. POPIS-Pro spojení dvou hliníkových profilů v pravém úhlu, s otvorem v geometrii drážky pro průchod kabelů; S krytkou pro zakrytí otevřené strany rohového konektoru. SET-1 rohová spojka 40, 2D s kabelovou průchodkou, 1 krycí víčko, 2 samotvarovací šrouby - S7 x 22.

Materiál
Rohová spojka: Zinkový tlakový odlitek Krytka: Plast PA, vyztužený skleněnou kuličkou Samotvarovací šroub: Ocel
Barva
Krytka: šedá ≈ RAL 7042
Množství v balení
1 set
Speciální vlastnosti
Jiné materiály, jiné povrchy, jiné barvy na vyžádání
Surface
Rohová spojka: Pozinkováno Samotvarovací šroub: Pozinkováno

Parametr

Číslo dílu Profilový modul Velikost drážky Délka (mm) Šířka (mm) Výška (mm) Hmotnost (g) F.Max SW (mm) D (mm) F (mm) Velikost závitu CAD Vozík
093WC406N08VS01 115

Související produkty



ALUTEC KK

Hliníkový konstrukční systém
Modulární pracovní stoly
Ochranné ploty a kryty

Standardní hliníkové profily
Lineární vedení
Nastavitelné nožičky

Dopravníky
Trubkový konstrukční systém
ALUTEC KK Hobby

Certifikáty

Rychlý kontakt

+420 326 996 110

aluteckk@aluteckk.cz