Product Image
Product Image
Product Image
Product Image

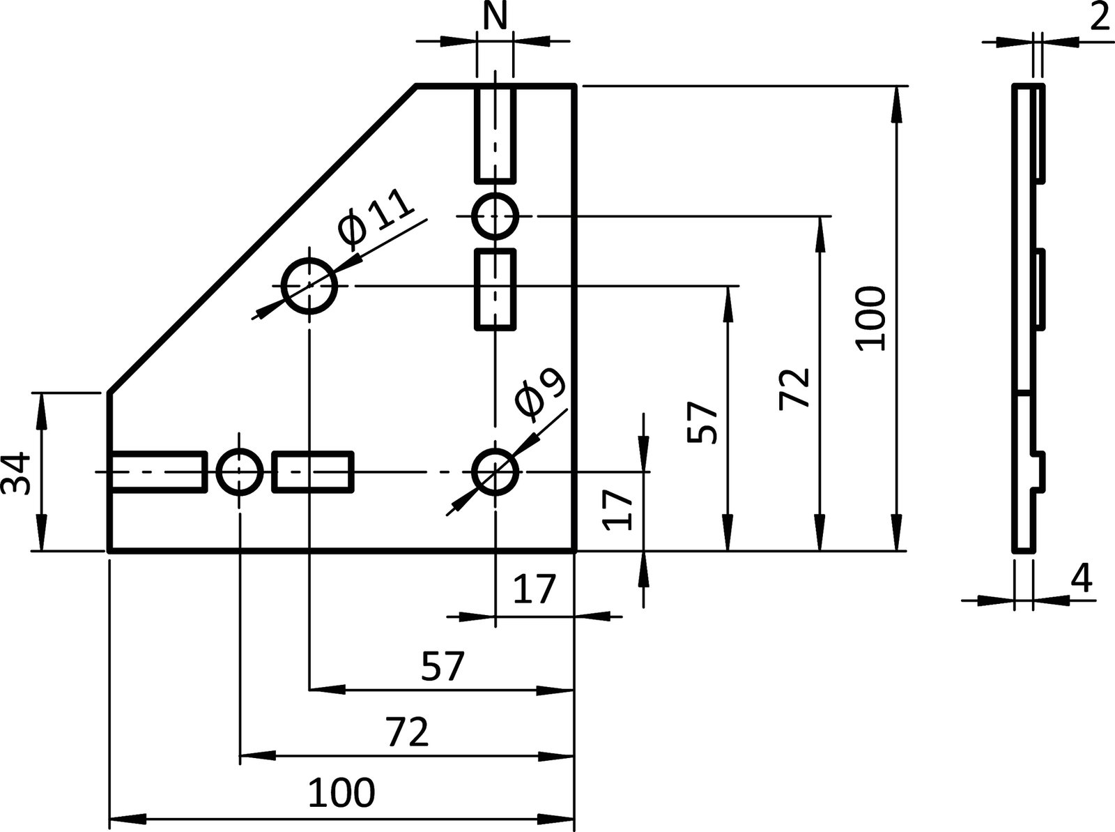
SPOJOVACÍ DESKA ST 100

K dispozici

Model
093V1001N08V

Popis
Ke spojení dvou hliníkových profilů.

Materiál
Ocel
Množství v balení
10 pieces
Speciální vlastnosti
Jiné povrchy, jiné barvy na vyžádání
Surface
Pozinkovaný

Parametr

Číslo dílu Profilový modul Velikost drážky Délka (mm) Šířka (mm) Výška (mm) Hmotnost (g) F.Max SW (mm) D (mm) F (mm) Velikost závitu CAD Vozík
093V1001N08V 219 pro šroub- M8
093V1001N10V 221 pro šroub- M8

Související produkty



ALUTEC KK

Hliníkový konstrukční systém
Modulární pracovní stoly
Ochranné ploty a kryty

Standardní hliníkové profily
Lineární vedení
Nastavitelné nožičky

Dopravníky
Trubkový konstrukční systém
ALUTEC KK Hobby

Certifikáty

Rychlý kontakt

+420 326 996 110

aluteckk@aluteckk.cz